產品系列
- 32.768KHz
- 石英晶振
- 貼片晶振
- 聲表面濾波器
- 陶瓷晶振
- 陶瓷霧化片
- 陶瓷濾波器
- 微孔霧化片
- CTS晶振
- KDS晶振
- 愛普生晶振
- 西鐵城晶振
- 精工晶體
- 村田晶振
- 京瓷晶振
- DST310S晶振
- 日本大河晶體
- NDK晶振
- 亞陶晶振
- 日本富士晶振
- NAKA晶振
- SMI晶振
- NKG晶振
- NJR晶振
- Q-Tech晶振
- ABRACON晶振
- VECTRON晶振
- JAUCH晶振
- ConnorWinfield晶振
- Rakon晶振
- ECS晶振
- Greenray晶振
- ECLIPTEK晶振
- GOLLEDGE晶振
- STATEK晶振
- Pletronics晶振
- SITIME晶振
- Microcrystal晶振
- RALTRON晶振
- AEK晶振
- AEL晶振
- ILSI晶振
- FOX晶振
- fujicom晶振
- CRYSTEK晶振
- interquip晶振
- Geyer晶振
- quartzcom晶振
- qantek晶振
- EUROQUARTZ晶振
- quarztechnik晶振
- Cardinal晶振
- FRE-TECH晶振
- KVG晶振
- wi2wi晶振
- Transko晶振
- suntsu晶振
- mmdcomp晶振
- MERCURY晶振
- MTRONPTI晶振
- ACT晶振
- MTI晶振
- Lihom晶振
- Rubyquartz晶振
- Oscilent晶振
- SHINSUNG晶振
- ITTI晶振
- PDI晶振
- IQD晶振
- Microchip晶振
- Silicon晶振
- Anderson晶振
- Fortiming晶振
- CORE晶振
- NIPPON晶振
- NIC晶振
- QVS晶振
- Bomar晶振
- Bliley晶振
- GED晶振
- FILTRONETICS晶振
- STD晶振
- Wenzel晶振
- NEL晶振
- EM晶振
- PETERMANN晶振
- FCD-Tech晶振
- HEC晶振
- FMI晶振
- Macrobizes晶振
- AXTAL晶振
- SUNNY晶振
- ARGO晶振
- Renesas瑞薩晶振
- SKYWORKS晶振
- NSK晶振
- 臺灣加高諧振器
- 臺灣鴻星晶體
- TXC晶振
- 臺灣希華晶振
- 臺灣泰藝晶體
- AKER晶振
晶振廠家
進口晶振
歐美晶振
臺產晶振
Tel:0755-27838351
Add:廣東深圳市寶安區67區留仙一路甲岸科技園3棟5樓
Email:konuaer@163.com
QQ:632862232
晶振官方博客
更多>>.jpg)
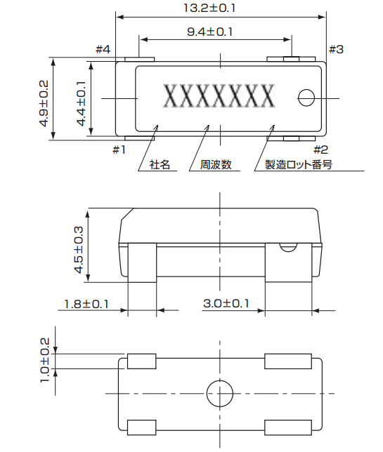
進口大真空晶體,DMX-38石英晶體諧振器,32.768K進口晶振,產品本身具有體積小,厚度薄,重量輕等特點,此音叉型石英晶體諧振器,晶振產品本身具備優良的耐熱性,耐環境特性,在辦公自動化,家電領域,移動通信領域可發揮優良的電氣特性,符合無鉛標準,滿足無鉛焊接的回流溫度曲線要求,金屬外殼的石英晶振使得產品在封裝時能發揮比陶瓷晶振外殼更好的耐沖擊性能.
.gif)
| 規格參數 | DMX-38 | |
| 頻率范圍 | 32.768KHZ(14.75~100.0KHZ) | |
| 負載電容 | 12.5pF | |
| 振蕩功率 | 1.0 uW(2.0 uW max) | |
| 周波數許容偏差 | ±30×10-6(at 25℃) | |
| 直列抵抗 | 50KΩ max | |
| 二次溫度系數 | -0.04 ×10-6/℃2 max | |
| 存儲溫度 | -40~+85℃ | |
| 工作溫度 | -40~+85℃ | |
| 并列電容 | 1.65 pF typ | |
.gif)




大真空針對晶體產品中所含的以鉛為首的六價鉻、汞、鎘、PBB、PBD等RoHS指令(Directive of the Restriction of use of the Hazardous Substances)及車載相關管制的ELV(End of Life Vehicles Directive)中列明的管制物質、以及阻燃劑中 使用的鹵素化合物,積極開展削減工作,并準備了RoHS/ELV指令對應產品、無鹵產品以及無鉛產品.
社會責任
大真空組有助于創建一個通過環境保護活動逐步發展中社會與環境的和諧.
遵守法律和監管要求
大真空觀察法規和監管要求,從事環保產品的開發.

<晶體諧振器>
如果過大的激勵電力對晶體諧振器外加電壓,有可能導致特性老化或損壞,因此請在宣傳冊、規格書中規定的范圍內使用.
讓諧振器振蕩的電路寬裕度大致為負性阻抗值.本公司推薦此負性阻抗為諧振器串聯電阻規格值的5倍以上,若是車載和安全設備,則推薦10倍 以上.
<晶體振蕩器>
晶體振蕩器的內部電路使用C-MOS.閉鎖、靜電對策請和一般的C-MOS IC一樣考慮.
有些晶體振蕩器沒有和旁路電容器進行內部連接.使用時,請在Vdd-GND之間用0.01μF左右的高頻特性較好的電容器(陶瓷片狀電容器等)以 最短距離連接.關于個別機型請確認宣傳冊、規格書.
<晶體濾波器>
注意電路板圖形的配置,避免輸入端子和輸出端子靠得太近.
如果貼裝晶體濾光片的電路板的雜散電容較大,為了消除該雜散電容,有時需要配置調諧電路.
如果過大的激勵電力對晶體諧振器外加電壓,有可能導致特性老化或損壞,因此請在晶體濾波器的輸入電平在−10dBm以下的狀態下使用.

1.技術支持 2.客服咨詢
全方位技術指導,專業的技術支持讓您感受到 專業的銷售團隊,耐心為您解答任何疑問,讓您的
前所未有的后顧無憂. 消費得到保障.
3.質量保證,誠信為上 4.提升業績,降低成本
我司以“以科技為動力,以質量求生存”為理念. 為您的產品量身訂制,免費取樣,
為您做到低成本,高效率.

全方位技術指導,專業的技術支持讓您感受到 專業的銷售團隊,耐心為您解答任何疑問,讓您的
前所未有的后顧無憂. 消費得到保障.
3.質量保證,誠信為上 4.提升業績,降低成本
我司以“以科技為動力,以質量求生存”為理念. 為您的產品量身訂制,免費取樣,
為您做到低成本,高效率.

| 深圳市康華爾電子有限公司 |
| 電 話: +86-755-27838351 |
| 手 機:13823300879 |
| 傳 真: +86-755-27883106 |
| Q Q: 632862232 |
| MSN: konuaer@163.com |
| E-mail:konuaer@163.com |
| 網 址:http://www.wuyoushuadan.com |
| 地 址:深圳市寶安區67區留仙一路甲岸科技園3棟 |






.jpg)
銷售代表
售后服務