產品系列
- 32.768KHz
- 石英晶振
- 貼片晶振
- 聲表面濾波器
- 陶瓷晶振
- 陶瓷霧化片
- 陶瓷濾波器
- 微孔霧化片
- CTS晶振
- KDS晶振
- 愛普生晶振
- 西鐵城晶振
- 精工晶體
- 村田晶振
- 京瓷晶振
- DST310S晶振
- 日本大河晶體
- NDK晶振
- 亞陶晶振
- 日本富士晶振
- NAKA晶振
- SMI晶振
- NKG晶振
- NJR晶振
- Q-Tech晶振
- ABRACON晶振
- VECTRON晶振
- JAUCH晶振
- ConnorWinfield晶振
- Rakon晶振
- ECS晶振
- Greenray晶振
- ECLIPTEK晶振
- GOLLEDGE晶振
- STATEK晶振
- Pletronics晶振
- SITIME晶振
- Microcrystal晶振
- RALTRON晶振
- AEK晶振
- AEL晶振
- ILSI晶振
- FOX晶振
- fujicom晶振
- CRYSTEK晶振
- interquip晶振
- Geyer晶振
- quartzcom晶振
- qantek晶振
- EUROQUARTZ晶振
- quarztechnik晶振
- Cardinal晶振
- FRE-TECH晶振
- KVG晶振
- wi2wi晶振
- Transko晶振
- suntsu晶振
- mmdcomp晶振
- MERCURY晶振
- MTRONPTI晶振
- ACT晶振
- MTI晶振
- Lihom晶振
- Rubyquartz晶振
- Oscilent晶振
- SHINSUNG晶振
- ITTI晶振
- PDI晶振
- IQD晶振
- Microchip晶振
- Silicon晶振
- Anderson晶振
- Fortiming晶振
- CORE晶振
- NIPPON晶振
- NIC晶振
- QVS晶振
- Bomar晶振
- Bliley晶振
- GED晶振
- FILTRONETICS晶振
- STD晶振
- Wenzel晶振
- NEL晶振
- EM晶振
- PETERMANN晶振
- FCD-Tech晶振
- HEC晶振
- FMI晶振
- Macrobizes晶振
- AXTAL晶振
- SUNNY晶振
- ARGO晶振
- Renesas瑞薩晶振
- SKYWORKS晶振
- NSK晶振
- 臺灣加高諧振器
- 臺灣鴻星晶體
- TXC晶振
- 臺灣希華晶振
- 臺灣泰藝晶體
- AKER晶振
晶振廠家
進口晶振
歐美晶振
臺產晶振
Tel:0755-27838351
Add:廣東深圳市寶安區67區留仙一路甲岸科技園3棟5樓
Email:konuaer@163.com
QQ:632862232
晶振官方博客
更多>>.jpg)
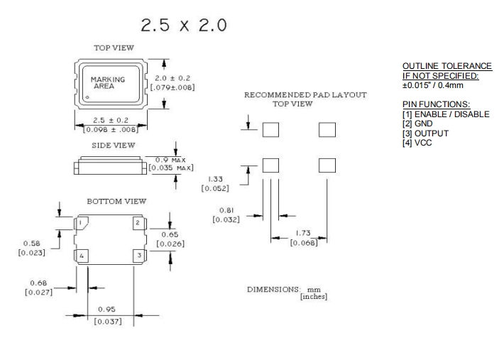
Raltron晶振,CO2520晶振,SPXO晶體振蕩器.普通貼片石英晶振外觀使用金屬材料封裝的,具有高穩定性,高可靠性的石英晶體振蕩器,晶振外觀本身使用金屬封裝,充分的密封性能,可確保其高可靠性,采用編帶包裝,外包裝采用朔膠盤,可在自動貼片機上對應自動貼裝等優勢.
有源晶振高頻振蕩器使用IC與晶片設計匹配技術:有源進口晶振是高頻振蕩器研發及生產過程必須要解決的技術難題.在設計過程中除了要考慮石英晶體諧振器具有的電性外,還有石英晶體振蕩器的電極設計等其它的特殊性,必須考慮石英晶體振蕩器的供應電壓、起動電壓和產品上升時間、下降時間等相關參數.
.
有源晶振高頻振蕩器使用IC與晶片設計匹配技術:有源進口晶振是高頻振蕩器研發及生產過程必須要解決的技術難題.在設計過程中除了要考慮石英晶體諧振器具有的電性外,還有石英晶體振蕩器的電極設計等其它的特殊性,必須考慮石英晶體振蕩器的供應電壓、起動電壓和產品上升時間、下降時間等相關參數.
.

Raltron晶振公司積極追求領先的進口晶體和振蕩器技術,專注于會議客戶的需求. 這確保客戶獲得最具成本效益的頻率管理產品在當今全球市場上可用. Raltron拉隆有源晶振產品具有精確的頻率容穩定性好,頻率范圍寬,封裝更小,相位噪聲低,抖動小等優點,最重要的是,他們以非常有競爭力的成本滿足或超越客戶的規格.
.gif)
.gif)
| 型號 | 符號 | CO2520 |
| WC | - | CMOS |
| 輸出頻率范圍 | fo | 0.75~75MHz |
| 電源電壓 | VCC | +1.8V,+2.5V,+3.0V,+3.3V |
|
頻率公差 (含常溫偏差) |
f_tol | ±25ppm~±100ppm |
| 保存溫度范圍 | T_stg | -40℃~+85℃ |
| 運行溫度范圍 | T_use |
-10℃~+70℃ -40℃~+85℃ |
| 消耗電流 | ICC | 45mA max. (fo≦170MHz) |
| 待機時電流(#1引腳"L") | I_std | 10μA max. |
| 輸出負載 | Load-R | 15pF |
| 波形對稱 | SYM | 45~55% [at outputs cross point] |
| 上升時間 下降時間 | tr, tf | 0.5ns max. [20~80% Output, OutputN] |
.gif)


機械處理
當有源家用電器晶振發生外置撞擊時,任何石英晶體振蕩器在遭到外部撞擊時,或者產品不小心跌落時,強烈的外置撞擊都將會導致晶振損壞,或者頻率不穩定現象.不執行任何強烈的沖擊石英晶體振蕩器.如果一個強大的沖擊已經給振蕩器確保在使用前檢查其特點.
激勵功率
在晶振上施加過多驅動力,會導致產品特性受到損害或破壞.電路設計必須能夠維持適當的激勵功率 (請參閱“激勵功率”章節內容).
負極電阻
除非石英晶體振蕩器回路中分配足夠多的負極電阻,否則振蕩或振蕩啟動時間可能會增加(請參閱“關于振蕩”章節內容).
負載電容
有源進口貼片晶振振蕩電路中負載電容的不同,可能導致振蕩頻率與設計頻率之間產生偏差.試圖通過強力調整,可能只會導致不正常的振蕩.在使用之前,請指明該振動電路的負載電容(請參閱“負載電容”章節內容).
有源晶振的負載電容與阻抗
負載電容與阻抗有源2520晶振設置一個規定的負載阻抗值.當一個值除了規定的一個設置為負載阻抗輸出頻率和輸出電平不會滿足時,指定的值這可能會導致問題例如:失真的輸出波形.特別是設置電抗,根據規范的負載阻抗.輸出頻率和輸出電平,當測量輸出頻率或輸出水平,晶體振蕩器調整的輸入阻抗,測量儀器的負載阻抗晶體振蕩器.當輸入阻抗的測量儀器,不同的負載阻抗的晶體振蕩器,測量輸出頻率或輸出水平高,阻抗阻抗測量可以忽略.
RALTRON晶振公司遵守所有適用的有關環境、健康和安全的法律和法規以及公司自己的有關環境、工業衛生和安全的方針和承諾.與我們的員工一起開創并保持一個免于事故的工作場所.重視產品污染預防,消除偏離程序的行為強調通過員工努力這一最可行的方法持續改進我們經營活動的環境績效.
美國RALTRON晶振勞工職業安全衛生議題近年成為世界各國及企業關注焦如何做到'降低職業災害發生,確保工作場所安全,實施員工健康管理'一直是RALTRON晶體努力的方向,公司于2008年12月通過OHSAS18001職業安全衛生管理系統驗證,提供勞工符合系統要求的安全衛生工作環境.
美國RALTRON晶振本于‘善盡企業責任、降低環境沖擊、提升員工健康’的理念,執行各項環境及職業安全衛生管理工作;落實公司環安衛政策要求使環境暨安全衛生管理成效日益顯著,不僅符合國內環保、勞安法令要求,同時晶振產品也能達到國際環保、安全衛生標準.2003年通過ISO14001環境管理系統驗證,秉持“污染預防、持續改善”之原則.
RALTRON晶振公司集團作為“地球內企業”,在保護地球環境方面發揮著領導作用.我們尊重歷史、文化和傳統的多樣性,并致力于“CSR經營”和“環境經營”.為取得社會的信任,為推動環境負荷最小化,RALTRON晶振集團還開展了各種各樣的石英晶振產品生產宣傳推廣活動.

.gif)
1.技術支持 2.客服咨詢
全方位技術指導,專業的技術支持讓您感受到 專業的銷售團隊,耐心為您解答任何疑問,讓您的
前所未有的后顧無憂. 消費得到保障.
3.質量保證,誠信為上 4.提升業績,降低成本
我司以“以科技為動力,以質量求生存”為理念. 為您的產品量身訂制,免費取樣,
為您做到低成本,高效率.

全方位技術指導,專業的技術支持讓您感受到 專業的銷售團隊,耐心為您解答任何疑問,讓您的
前所未有的后顧無憂. 消費得到保障.
3.質量保證,誠信為上 4.提升業績,降低成本
我司以“以科技為動力,以質量求生存”為理念. 為您的產品量身訂制,免費取樣,
為您做到低成本,高效率.

| 深圳市康華爾電子有限公司 |
| 電 話: +86-755-27838351 |
| 手 機:13823300879 |
| 傳 真: +86-755-27883106 |
| Q Q: 632862232 |
| MSN: konuaer@163.com |
| E-mail:konuaer@163.com |
| 網 址:http://www.wuyoushuadan.com |
| 地 址:廣東深圳市寶安寶安大道東95號浙商銀行大廈1905 |






銷售代表
售后服務