產品系列
- 32.768KHz
- 石英晶振
- 貼片晶振
- 聲表面濾波器
- 陶瓷晶振
- 陶瓷霧化片
- 陶瓷濾波器
- 微孔霧化片
- CTS晶振
- KDS晶振
- 愛普生晶振
- 西鐵城晶振
- 精工晶體
- 村田晶振
- 京瓷晶振
- DST310S晶振
- 日本大河晶體
- NDK晶振
- 亞陶晶振
- 日本富士晶振
- NAKA晶振
- SMI晶振
- NKG晶振
- NJR晶振
- Q-Tech晶振
- ABRACON晶振
- VECTRON晶振
- JAUCH晶振
- ConnorWinfield晶振
- Rakon晶振
- ECS晶振
- Greenray晶振
- ECLIPTEK晶振
- GOLLEDGE晶振
- STATEK晶振
- Pletronics晶振
- SITIME晶振
- Microcrystal晶振
- RALTRON晶振
- AEK晶振
- AEL晶振
- ILSI晶振
- FOX晶振
- fujicom晶振
- CRYSTEK晶振
- interquip晶振
- Geyer晶振
- quartzcom晶振
- qantek晶振
- EUROQUARTZ晶振
- quarztechnik晶振
- Cardinal晶振
- FRE-TECH晶振
- KVG晶振
- wi2wi晶振
- Transko晶振
- suntsu晶振
- mmdcomp晶振
- MERCURY晶振
- MTRONPTI晶振
- ACT晶振
- MTI晶振
- Lihom晶振
- Rubyquartz晶振
- Oscilent晶振
- SHINSUNG晶振
- ITTI晶振
- PDI晶振
- IQD晶振
- Microchip晶振
- Silicon晶振
- Anderson晶振
- Fortiming晶振
- CORE晶振
- NIPPON晶振
- NIC晶振
- QVS晶振
- Bomar晶振
- Bliley晶振
- GED晶振
- FILTRONETICS晶振
- STD晶振
- Wenzel晶振
- NEL晶振
- EM晶振
- PETERMANN晶振
- FCD-Tech晶振
- HEC晶振
- FMI晶振
- Macrobizes晶振
- AXTAL晶振
- SUNNY晶振
- ARGO晶振
- Renesas瑞薩晶振
- SKYWORKS晶振
- NSK晶振
- 臺灣加高諧振器
- 臺灣鴻星晶體
- TXC晶振
- 臺灣希華晶振
- 臺灣泰藝晶體
- AKER晶振
晶振廠家
進口晶振
歐美晶振
臺產晶振
Tel:0755-27838351
Add:廣東深圳市寶安區67區留仙一路甲岸科技園3棟5樓
Email:konuaer@163.com
QQ:632862232
晶振官方博客
更多>>.jpg)
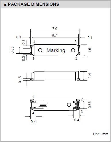
Transko晶振,CS71晶振,音叉水晶振子.小型貼片石英晶振,外觀尺寸具有薄型表面貼片型石英晶體諧振器,特別適用于有小型化要求的市場領域,比如智能手機,無線藍牙,平板電腦等電子數碼產品.晶振本身超小型,薄型,重量輕,晶體具有優良的耐環境特性,如耐熱性,耐沖擊性,在辦公自動化,家電相關電器領域及Bluetooth,Wireless LAN等短距離無線通信領域可發揮優良的電氣特性,滿足無鉛焊接的回流溫度曲線要求.
晶振的真空封裝技術:是指石英晶振在真空封裝區域內進行封裝.1.防止外界氣體進入組件體內受到污染和增加應力的產生;2.使晶振組件在真空下電阻減小;3.氣密性高.此技術為研發及生產超小型、超薄型石英貼片晶振必須攻克的關鍵技術之一.


Transko是一家位于加利福尼亞州阿納海姆的通過ISO 9001:2008認證的變頻控制設備解決方案供應商.通過質量和經驗,我們得到了援助.1997年經歷了非常大的增長,1998年搬遷到加利福尼亞州阿納海姆的一個更大的設施,1998年介紹了耐高溫晶振產品的表面貼裝線,1999年成為合并同年阿納海姆工廠擴建以適應增長.2001年獲得了新的底盤和新的最后一臺電鍍機同年獲得ISO 9001質量認證.
.gif)
.gif)
| Transko晶振 | 單位 | CS71晶振 | 石英晶振基本條件 |
| 標準頻率 | f_nom | 32.768KHZ | 標準頻率 |
| 儲存溫度 | T_stg | -55°C~+125°C | 裸存 |
| 工作溫度 | T_use | -40℃~+85℃ | 標準溫度 |
| 激勵功率 | DL | 1.0μW Max. | 推薦:100μW ~ 300μW |
| 頻率公差 | f_— l |
±20ppm ±50ppm |
+25°C 對于超出標準的規格說明, 請聯系我們以便獲取相關的信息, http://www.wuyoushuadan.com/ |
| 頻率溫度特征 | f_tem | ±50× 10-6 /-30°C~+85°C | 超出標準的規格請聯系我們. |
| 負載電容 | C | 12.5pF | 不同負載要求,請聯系我們. |
| 串聯電阻(ESR) | R1 | 如下表所示 | -10°C— +60°C, DL = 100μW |
| 頻率老化 | f_age | ±5 × 10-6 / year Max. | +25°C,第一年 |
.gif)


電源線路
電源的線路阻抗應盡可能低.
輸出負載
建議將輸出負載安裝在盡可能靠近石英晶體諧振器的地方(在20mm范圍之間).
未用輸入終端的處理
未用針腳可能會引起噪聲響應,從而導致非正常工作.同時,當P通道和N通道都處于打開時,電源功率消耗也會增加;因此,請將未用輸入終端連接到VCC或GND.
熱影響
重復的溫度巨大變化可能會降低受損害的有源晶振的產品特性,并導致塑料封裝里的線路擊穿.必須避免這種情況.
安裝方向
進口晶體振蕩器的不正確安裝會導致故障以及崩潰,因此安裝時,請檢查安裝方向是否正確.
激勵功率
在晶體單元上施加過多驅動力,會導致石英進口晶振特性受到損害或破壞.電路設計必須能夠維持適當的激勵功率(請參閱“激勵功率”章節內容).
負極電阻
除非振蕩回路中分配足夠多的負極電阻,否則振蕩或振蕩啟動時間可能會增加(請參閱“關于振蕩”章節內容).
負載電容
振蕩電路中負載電容的不同,可能導致振蕩頻率與設計頻率之間產生偏差.試圖通過強力調整,可能只會導致不正常的振蕩.在使用之前,請指明該振動電路的負載電容(請參閱“負載電容”章節內容).
對我們的產品進行檢驗,同時告知我們的員工顧客以及公眾,如何安全的使用,如何使用對環境影響較小,幫助我們的雇員合同方商業伙伴服務提供上理解他們的行為如何影響著環境.公司的各項能源、資源消耗指標和排放指標達到國內領先、國際先進水平.
Transko晶振集團實施創新戰略,提高自主創新能力,確保公司可持續發展.實施節約戰略,提高建設節約環保型企業能力,確保實現節能環保規劃目標.
致力于環境保護,包括預防污染.在石英晶振晶體產品的規劃到制造、運行維修等整個過程中,努力提供環保型的產品和服務.在業務活動中,努力節約資源并節省能源,致力于減少廢棄物和再生資源的回收利用.在積極公開有關環境的信息的同時,通過支持環保活動,廣泛地為社會作貢獻.致力于保護生物多樣性和可持續利用.切實運行環境管理系統,努力提高環境性能,不斷改善運用系統.
Transko晶振,貼片晶振,石英晶體振蕩器在“制造、使用、有效利用、再利用”這樣一個產品生命周期中,努力創造豐富的價值,給社會帶來溫馨和安寧,感動和驚喜,同時為減少環境影響,努力做好“防止地球變暖、有效利用資源、對化學物質進行管理”,實現與地球的和諧相處.

.gif)
1.技術支持 2.客服咨詢
全方位技術指導,專業的技術支持讓您感受到 專業的銷售團隊,耐心為您解答任何疑問,讓您的
前所未有的后顧無憂. 消費得到保障.
3.質量保證,誠信為上 4.提升業績,降低成本
我司以“以科技為動力,以質量求生存”為理念. 為您的產品量身訂制,免費取樣,
為您做到低成本,高效率.

全方位技術指導,專業的技術支持讓您感受到 專業的銷售團隊,耐心為您解答任何疑問,讓您的
前所未有的后顧無憂. 消費得到保障.
3.質量保證,誠信為上 4.提升業績,降低成本
我司以“以科技為動力,以質量求生存”為理念. 為您的產品量身訂制,免費取樣,
為您做到低成本,高效率.

| 深圳市康華爾電子有限公司 |
| 電 話: +86-755-27838351 |
| 手 機:13823300879 |
| 傳 真: +86-755-27883106 |
| Q Q: 632862232 |
| MSN: konuaer@163.com |
| E-mail:konuaer@163.com |
| 網 址:http://www.wuyoushuadan.com |
| 地 址:廣東深圳市寶安寶安大道東95號浙商銀行大廈1905 |








銷售代表
售后服務