晶振官方博客
更多>>Golledge品牌超微型1610mm封裝SMD晶體正式商用化
來源:http://www.wuyoushuadan.com 作者:康華爾電子 2020年05月27
Golledge品牌超微型1610mm封裝SMD晶體正式商用化
應用到智能電子身上的32.768K晶振尺寸大都非常小,現在常用的體積里,最小的是1.6x1.0mm的,因為擁有巨大的商業前景,越來越多的晶體制造商推出1610晶振系列.英國的Golledge Electronics Ltd.公司從2019年,就已經將旗下兩款1610mm封裝的貼片晶振商用化,并正式批量生產和供應,為了滿足不同用戶的需求,GWX-1610和CM9V-T1A的技術指標會有一些差別,詳情請看以下內容.
超小型GWX-1610手表晶體具有高競爭力的價格,適合大批量的商業和消費者設計,尺寸僅為1.6x1.0x0.5mm,使其成為尺寸敏感型應用的理想32.768kHz解決方案.GWX-1610還具有選擇校準公差的功能,并且可以在頻率為32.768kHz的各種電路條件下使用.
GWX-1610:
1610封裝32.768kHz時鐘晶振
批量應用的有競爭力的價格
超薄型-高0.5mm
輕巧的微型包裝
真空密封,穩定性高
技術指標:
超微型CM9V-T1A是我們最小的手表晶體之一,并提供32.768kHz解決方案,超薄外形封裝以及高抗震性和抗振性.Golledge晶振公司這種微小的表面安裝手表晶體可在汽車和擴展的工作溫度范圍內使用,并且具有僅0.5uW的低驅動電平.如果您是為大批量商業或消費項目設計的,并且可以接受-40~+85℃溫度范圍的工業工作溫度范圍,請考慮將GWX-1610形狀因數晶體作為更具競爭力的選擇.
CM9V-T1A:
超小型1610-SMD封裝32.768kHz手表晶體
超薄-0.5mm
帶金屬蓋的微型陶瓷包裝
高抗沖擊和抗振性
低功耗
技術指標:
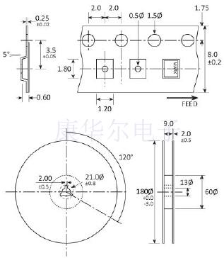
包裝尺寸圖:
焊接概況:
卷帶規格:
處理和儲存:
防靜電HBM-1A人體模型(HBM)1A(250V至<500V);
MSL1水分敏感性水平(MSL):1(或不適用).
密封:
陶瓷主體,帶鍍金墊
金屬蓋,真空密封
材料組成:
無鉛(<0.1%(重量))
符合RoHS標準,無任何豁免符合RoHS,無任何豁免.
達到符合REACH.
沖突礦物聲明不含沖突礦物.
無鹵素聲明不含鹵素.
臭氧消耗聲明不含消耗臭氧層的物質.
Golledge品牌超微型1610mm封裝SMD晶體正式商用化
應用到智能電子身上的32.768K晶振尺寸大都非常小,現在常用的體積里,最小的是1.6x1.0mm的,因為擁有巨大的商業前景,越來越多的晶體制造商推出1610晶振系列.英國的Golledge Electronics Ltd.公司從2019年,就已經將旗下兩款1610mm封裝的貼片晶振商用化,并正式批量生產和供應,為了滿足不同用戶的需求,GWX-1610和CM9V-T1A的技術指標會有一些差別,詳情請看以下內容.
超小型GWX-1610手表晶體具有高競爭力的價格,適合大批量的商業和消費者設計,尺寸僅為1.6x1.0x0.5mm,使其成為尺寸敏感型應用的理想32.768kHz解決方案.GWX-1610還具有選擇校準公差的功能,并且可以在頻率為32.768kHz的各種電路條件下使用.
GWX-1610:
1610封裝32.768kHz時鐘晶振
批量應用的有競爭力的價格
超薄型-高0.5mm
輕巧的微型包裝
真空密封,穩定性高
技術指標:
| 頻率 | 32.768KHz |
| 外型尺寸 | 1.6x1.0x0.5mm |
| 工作溫度范圍 | -40~+85℃ |
| 儲存溫度范圍 | -55~+125℃ |
| 靜電容(C0) | 典型值為1.2pF |
| 等效串聯電阻 | 25℃時最大90kΩ |
| 老化 | 第一年最大±3ppm |
| 驅動等級 | 最大1.0µW |
| 周轉溫度(T0) | +25℃±5℃ |
| 頻率/溫度系數 | -0.036ppm/℃2典型值 |
CM9V-T1A:
超小型1610-SMD封裝32.768kHz手表晶體
超薄-0.5mm
帶金屬蓋的微型陶瓷包裝
高抗沖擊和抗振性
低功耗
技術指標:
| 頻率 | 32.768kHz |
| 外型尺寸 | 1.6x1.0x0.5mm |
| 儲存溫度范圍 | -55~+125℃ |
| 靜電容(C0) | 1.0pF(典型值) |
| 動電容(C1) | 3.6fF(典型值) |
| 等效串聯電阻 | 25℃時最大90kΩ |
| 老化 | 第一年最大±3ppm |
| 驅動等級 | 最大0.5µW |
| 周轉溫度(T0) | +25℃±5℃ |
| 頻率/溫度系數 | -0.035ppm/℃2±10% |
| 抗沖擊 | ±5ppm,5,000g,0.3ms,1/2正弦 |
| 抗振性 | ±5ppm,20g,10.0~2,000赫茲 |
| 終止 | 鍍金墊 |
| 焊接條件 | 回流,260℃,最長20秒 |
防靜電HBM-1A人體模型(HBM)1A(250V至<500V);
MSL1水分敏感性水平(MSL):1(或不適用).
密封:
陶瓷主體,帶鍍金墊
金屬蓋,真空密封
材料組成:
無鉛(<0.1%(重量))
符合RoHS標準,無任何豁免符合RoHS,無任何豁免.
達到符合REACH.
沖突礦物聲明不含沖突礦物.
無鹵素聲明不含鹵素.
臭氧消耗聲明不含消耗臭氧層的物質.
Golledge品牌超微型1610mm封裝SMD晶體正式商用化
正在載入評論數據...
相關資訊
- [2025-09-18]Geyer晶振賦能極端環境下科技的堅守
- [2025-06-24]Greenray插件YH1300恒溫晶振OCXO的輸出...
- [2024-03-14]RTV119系列性能超強的溫補晶振由安德森...
- [2024-03-14]IQD最新推出IQXC-26系列體積超小耐輻射...
- [2024-03-12]Pletronics晶振最新推出的OSN4系列恒溫...
- [2024-03-08]回顧Bliley晶振八十多年的歷史進程
- [2024-03-08]Bliley如何測量并減少晶振老化帶來的影...
- [2024-03-07]Crystek行業標桿壓控晶振CVCO33BE-2352...
- [2023-09-28]遙遙領先的GEYER晶振跟大家一起探討尺寸...
- [2023-09-26]領先全球的HELE晶振帶你了解從原始石英...
- [2023-09-23]領先全球的Renesas Electronics Corpor...
- [2023-09-21]遙遙領先的Skyworks電子晶振有助于加快...


銷售代表
售后服務